15:48 Мус уаз патриот схема | ||
Дневные Ходовые Огни - Страница 10 - Uazbuka.Ru
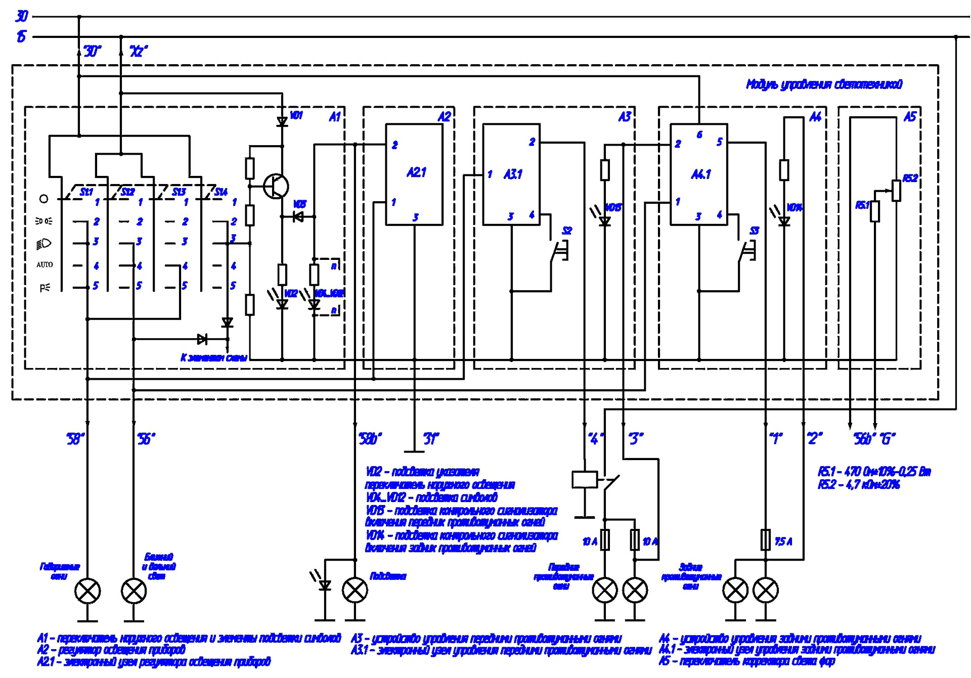
10 июн. 2016 г. Нужна принципиальная схема МУС. Смысл такой: Требуется переделать режим "авто" так, чтоб в этом режиме включались автоматически только. Схема МУС: Вопрос К Электрикам… — УАЗ Patriot, 2,7 Л, 2010 Года.![]() Интернет-магазин УазПотребСоюз предлагает купить Ремкомплект МУС УАЗ ПАТРИОТ РЕСТАЙЛИНГ-2017 (с передними противотуман. фарами) красная подсветка. Распиновка МУС Патриот — УАЗ Patriot, 2,7 Л, 2009 Года.![]() Модули управления светотехникой (МУС) 142.3769-01. Распиновка. УАЗ Патриот. Схема блока. Погасли Габариты. Ремонт. — УАЗ Patriot, 2,6 Л, 2016 Года.![]() В виду отсутствия АСС в замке зажигания УАЗ Патриот, завод реализовал идиотскую на мой взгляд схему подключения магнитолы, а именно включение магнитолы после. Схема МУС: Вопрос К Электрикам… — УАЗ Patriot, 2,7 Л, 2010 Года.![]() 3.2 изображен модуль управления светотехникой. (МУС. 1 -выключатель. Схема системы охлаждения двигателя и отопления: 1 -радиатор отопителя салона. 19. МУС УАЗ Патриот 2019г. Нет Подсветки Климата, Нет ДХО. 316300.![]() МУС. 40А. 10А. 10А. Предпуск. обогр. +30 регулятор микро контрол лер. CAN H. CAN L. CAN. Принципиальная схема. Правый блок кнопок. Левый блок кнопок. 02459![]() МУС тут не при. Есть схема из вот такой вот книжки Третьего Рима про патриот 2007 года: Схема Подключения Модуля Управления Светом (МУС) Гранта-Калина В.![]() Поделитесь у кого есть принципиальная схема МУС-а УАЗ Патриот 142.3769. Проблема в следующем, при вкл. ЗЗ загорается задняя ПТФ. Переключатель в это время. Установил И Подключил ПТФ — УАЗ Patriot, 2,7 Л, 2016 Года | Тюнинг.![]() 25 нояб. 2023 г. УАЗ Patriot — пост пикабушника Аноним. Комментариев - 2076, сохранений - 420. Присоединяйтесь к обсуждению или опубликуйте свой пост! Ищу Распиновки МУС — УАЗ Patriot, 2,7 Л, 2008 Года | Электроника.![]() Мусоровоз на метане КАМАЗ 6520 (6×4) — фото, технические характеристики, схема, описание, руководство по ремонту и эксплуатации. УАЗ Патриот ЛИМИТЕД 316300. Подключение Габаритов УАЗ Патриот - YouTube![]() 6 окт. 2016 г. Модуль управления светотехникой (МУС) 471.3769 на Уаз Патриот, неисправности, способы их проверки и устранения, электрическая схема. 06.10. Ищу Распиновки МУС — УАЗ Patriot, 2,7 Л, 2008 Года | Электроника.![]() Продажа деталей кузова и двигателей УАЗ, а также аксессуаров, пластикового тюнинга, инструмента и т. д. поиск товаров по названию или коду запчасти. условия. Модуль Управления Светом (МУС) Антиколхоз И Модернизация — УАЗ.![]() 23 мар. 2015 г. Собираем МУС назад. Смотрим схему МУСа. Из нее видно, что габариты не включатся, если на клемме 30 нет напряжения. Иду в машину, тычу тестером. ДАЛЬНИЙ Свет Фар Вместо Ходовых Огней - Страница 4 - Официальный.![]() [Архив] Принципиальная схема МУС Люкс Фары, фонари, лампы, освещение салона, Корректор Фар На ГАЗ 3102 (Обновлено) — Сообщество «ГАЗ Волга» На.![]() Дополнение к отзыву владельца о УАЗ Патриот 2019 г.: БЛОК УПРАВЛЕНИЯ СВЕТОМ УАЗ ПАТРИОТ: ЧИНИМ., Уаз не дает расслабиться даже тогда когда этого совсем уже. Патриот 2017 И Сново МУС (Модуль Управления Светотехникой) - YouTube![]() 18 окт. 2006 г. Схема подключения МУСа Обслуживание УАЗ Патриот. Не плохо было-бы узнать, у людей кто МУС разбирал, какие иммено контакты подгарают и их. Дневные Ходовые Огни В Стандартных Фарах. Обсуждение. - Страница 3.![]() 18 окт. 2019 г. Схема управляющего модуля включает такие элементы: Переключатель наружных осветительных устройств. Имеет 5 уровней регулировки. Поворачивая. Патриот 2017 И Сново МУС (Модуль Управления Светотехникой) - YouTube![]() Вы можете заказать Мус УАЗ Патриот на сайте Детали УАЗ. Доставка по всей России. Отключение ДХО При Постановке На Ручник. Нудно, Но С Картинками.![]() Заводская схема МУС 21017г. МУС.jpeg. У вас нет. УАЗ Патриот, которые могут принести ущерб или убытки другим пользователям Клуб УАЗ Патриот. Режим "Авто", Как Я Его Понимаю. — УАЗ Patriot, 2,7 Л, 2013 Года.![]() Внутрь МУС лезть нехочется. Тогда придется просто параллелиться к габаритам, или к + от замка зажигания, как в схеме подключения, что была в. | ||
|
| ||
| Всего комментариев: 0 | |


















